Котел 1.86 с ОУР в Черкесске

Цена с НДС:
1 208 000 рублей
Цена с НДС на котел 1.86 с ОУР с доставкой в
от 1 208 000 рублей
Условия в
В наличии на складе
Доставка ТК по России и Казахстану
Безналичный расчет
Есть в наличии
Можно купить в лизинг
Котел с ОУР 1.86
Котел 1.86 с ОУР
Котел с золоуловителем 1.86 ОУР
Котел 1.86 ОУР с золоуловителем
Шибер газохода котла с ОУР 1.86
Шибер газохода котла 1.86 с ОУР
Котел 1.86 МВт с топкой ОУР обмуровка
Обмуровка котла 1.86 МВт с топкой ОУР
Охлаждаемые водяные колосники котла 1.86 МВт
Водяные охлаждаемые колосники котла 1.86 МВт
Котел 1.86 МВт с ОУР конструкция
Конструкция котла 1.86 МВт с ОУР
Котел 1.86 МВт с ОУР изготовление
Изготовление котла 1.86 МВт с ОУР
Котел 1.86 МВт с ОУР производство
Производство котла 1.86 МВт с ОУР
Котел с ОУР 1.86
Котел с золоуловителем 1.86 ОУР
Шибер газохода котла с ОУР 1.86
Котел 1.86 МВт с топкой ОУР обмуровка
Охлаждаемые водяные колосники котла 1.86 МВт
Котел 1.86 МВт с ОУР конструкция
Котел 1.86 МВт с ОУР изготовление
Котел 1.86 МВт с ОУР производство
Видеообзор
Вид топки Ручная, ОУР
Максимальная тепловая мощность 1.86 МВт
Топливо Твердое, Уголь
Отапливаемая площадь от 15700 до 20400 м²
Технические
характеристики
Описание
товара
Комплект
поставки
Дополнительное
оборудование
Монтаж и схемы
подключения
Сертификаты
и гарантии
Подбор
котла

Технические характеристики котла 1.86 с ОУР

Вид Водогрейный
Тип отопительного котла Твердотопливный
Бренд HeatExpert
Тип Котел КВр
Вид топки Ручная, ОУР
Максимальная тепловая мощность 1.86 МВт
Максимальная тепловая мощность 1860 кВт
Максимальная тепловая мощность 1.6 Гкал
Диапазон регулирования мощности 50-100 %
Топливо Твердое, Уголь
Низшая теплота сгорания проектного топлива 5230 кКал/кг
КПД котла на УГЛЕ 82 %
Расход УГЛЯ среднечасовой за отопительный сезон 208.9 кг/ч
Расход УГЛЯ при максимальной нагрузке котла 365 кг/ч
Расход условного топлива 273 кг/ч
Минимальная температура воды на входе в котел 55 °C
Максимальная температура воды на выходе из котла 115 °C
Давление рабочей среды 0.3-0.6 (3-6) МПа (кгс/cм²)
Номинальный расход теплоносителя 64 м³/ч
Расход теплоносителя через котел min-max 48-80 м³/ч
Гидравлическое сопротивление при номинальном расходе не более 0.07 (0.7) МПа (кгс/cм²)
Аэродинамическое сопротивление 230 (23.45) Па (мм. вод. ст.)
Разряжение в топочной камере 20-40 (2-4) Па (мм. вод. ст.)
Объем уходящих газов 8000 м³/ч
Температура уходящих газов, не более 220 °C
Тяга Уравновешенная
Водяной объем котла 1800 л
Объем топочной камеры 4.49 м³
Активная площадь решетки горения 2.4 м²
Присоединительные размеры по водяному тракту 125 Ду
Присоединительные размеры газохода уходящих газов, ширина*высота / сечение 1010х250 / 0.25 мм/м²
Габаритные размеры котла, длина*ширина*высота 3200х1950х2600 мм
Масса 6000 кг
Конструкция котла водотрубная
Количество контуров Одноконтурный
Размещение Напольный
Тип камеры сгорания Открытый
Управление Электронное
Принцип работы твердотопливного котла Классический
Энергонезависимый Нет
Тип питания Трехфазное
Встроенный циркуляционный насос Нет
Встроенный расширительный бак Нет
Марка HeatExpert
Энергоэффективность Высокая
Отапливаемая площадь от 15700 до 20400 м²
Отапливаемый объем от 47000 до 61000 м³
Чертеж котла КВр 1.86 с ОУР
Котел КВр 1.86 с ОУР чертеж
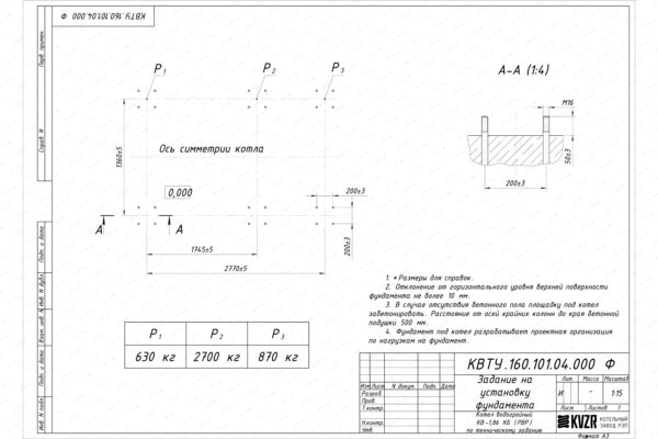
Чертеж фундамента котла КВр 1.86 с ОУР
Котел КВр 1.86 с ОУР чертеж фундамента

Котел 1.86 МВт с топкой ОУР в Черкесске

Водогрейный котел с топкой ОУР мощностью 1.86 МВт предназначен для отопления и горячего водоснабжения больших производственных помещений и маленьких зданий, складов, гаражей, цехов, ангаров, автосервисов, школ, садиков, клубов, магазинов, больниц, санаториев, теплиц, птицефабрик, СТО, для установки во встроенных, стационарных и блочно модульных котельных с ручной топливоподачей и золошлакоудалением.

Российский отопительный котел 1,86 МВт с водяными колосниками использует в качестве топлива каменный и бурый уголь, резервное - дрова, работает в открытых и закрытых системах теплоснабжения с принудительной циркуляцией воды при рабочем давлении до 0,6 МПа и температурой нагрева до 95 - 115 °С.

Стальной твердотопливный котел 1.86 МВт с ОУР производится с большой и объемной топочной камерой газоплотного исполнения и равномерной подачей воздуха. Такая топка исключает теплопотери и обеспечивает полное догорание топлива.

Конструкция топки позволяет использовать облегченную теплоизоляцию и упрощает обслуживание котлоагрегата. Качественная теплоизоляция из плит ПТЭ исключает теплопотери и присосы холодного воздуха.

Водонаполненные колосники, из которых состоит топка ОУР, исключают перегрев и прогорание топки и гарантируют длительную эксплуатацию котлоагрегата.

Котельный блок

Промышленный котел 1,86 МВт с водяными колосниками изготавливается моноблочным – котельный блок и топка ОУР. Котельный блок представляет собой стальную сварную горизонтальную конструкцию, состоящую из трубной системы, опорной рамы и каркаса с теплоизоляционными материалами, обшитого листовой сталью. На фронте котлоагрегата устанавливается топочная дверка для загрузки угля и выгрузки шлака.

Конвективные поверхности нагрева

Стальной водонагревательный котел 1.86 МВт с водоохлаждаемыми колосниками имеет развитую конвективную поверхность нагрева. Тубы в конвективной части имеют шахматную компоновку. Такое расположение труб обеспечивает более интенсивное и полное их омывание горячими газами. Газы в конвективной части проходят два хода и выходят через газоход в верхней части задней стенки агрегата.

Стальной нагревательный котел 1.86 МВт с водяной решеткой ОУР обеспечивает значительное снижение температуры уходящих газов до 200 -180 °С, тем самым исключая возможные теплопотери.

Организованное движение потока воды в трубной системе котла обеспечивает хороший теплосъем, исключает образование застойных зон, локальный перегрев поверхностей нагрева, препятствует образованию пристенного кипения и отложения накипи на поверхностях нагрева.

Производственный котел 1.86 МВт с ОУР работает с принудительной циркуляцией теплоносителя, которую обеспечивают сетевые насосы.

Топка ОУР

Отечественный трубный котел с топкой ОУР изготавливается единым моноблоком с топкой. Топка с беспровальной охлаждаемой решеткой выполнена газоплотной. Газоплотность исключает теплопотери и не пропускает холодный воздух в топочное пространство.

Топка ОУР представляет собой ряд труб, соединенных с трубной системой котла, по которым циркулирует теплоноситель. Между трубами ввариваются полосы металла с небольшими отверстиями для подачи воздуха в слой топлива. Большое количество отверстий по всей площади топочного пространства обеспечивает равномерную подачу воздуха в слой топлива и исключает недостаток кислорода для горения. Небольшой размер отверстий не дает провалиться золе под водоохлаждаемые колосники в нижний короб агрегата и обеспечивают полное выгорание топлива. Оптимальный режим горения позволяет работать с низкосортным топливом, исключая зависимость от его вида и свойств.

Топливо забрасывается равномерным слоем через топочную дверку. Большой объем топочной камеры обеспечивает более полное выгорание топлива и снижает химический и механический недожег.

Водонаполненные колосники защищены от перегрева и прогорания из-за постоянно циркулирующей воды в трубах, которая охлаждает конструкцию изнутри. Также, такая топка, выполняет роль дополнительного теплообменника. Вода, находящаяся в трубах, снимает тепло в нижней части топки, тем самым повышая эффективность теплосъема и увеличивая КПД котла.

Зола и шлак выгребается через топочную дверку и удаляется в отвал.

Качественная изоляция

Ручной стационарный котел 1,86 МВт с охлаждаемыми колосниками выполнен со съемной, облегченной изоляцией из плит ПТЭ. Плиты закрепляются на каркасе, обшивка теплоагрегата выполняется из стальных листов. Преимущества легкой изоляции - максимальная монтажная готовность котельного блока, его компактность, минимизация потерь КПД котла через потери тепла в окружающую среду, за счет высокого качества обмуровки.

Удобное обслуживание

Водотрубный котел 1.86 МВт с беспровальной охлаждаемой решеткой в обшивке имеет удобные люки для очистки конвективных поверхностей нагрева от сажи и золы. В нижней части котлоагрегата находятся два зольных бункера, под топкой и под конвективной поверхностью нагрева. В бункерах предусмотрен лаз для очистки от зольных отложений и осмотра труб конвективного пакета.

Принцип работы

Загрузка угля в котел 1.86 МВт с водоохлаждаемой решеткой осуществляется вручную через топочную дверку. Необходимо равномерно распределить слой топлива по решетке, высотой не более 200 мм.

Дымовые газы через окно расположенное на задней стенке топки выходят из топочной камеры. Пройдя две конвективные ступени, дымовые газы выводятся в выходное окно на задней стенке котла.

Шлак выгребается из зольника и топки в котельный зал и вручную транспортируется в золоотвал.

Котел 1.86 МВт с охлаждаемой уголковой решеткой работает с уравновешенной тягой, которую обеспечивает дутьевой вентилятор ВЦ и дымосос ДН.

Комплект поставки

Водогрейный котел 1.86 МВт с водоохлаждаемой решеткой включает базовую комплектацию – вентилятор поддува, затворы, предохранительные клапаны, вентили, манометры, термометры, трехходовые краны.

Для эффективной и надежной работы отопительный котел 1.86 МВт с водяными колосниками комплектуется дополнительным оборудованием, поставляемым по запросу – автоматика, дымосос, золоуловитель, насос, газоходы.

Купить котел 1.86 МВт с топкой ОУР

Для того, что бы купить котел 1.86 МВт с водяными колосниками в Черкесске вы можете оформить заявку в отделе сбыта по телефону 8-800-700-06-43, либо оформить заявку он-лайн. Инженеры-консультанты помогут выбрать подходящие модели и котельно-вспомогательное оборудование, рассчитают стоимость доставки до вашего региона и населенного пункта. Транспортирование котлоагрегатов может осуществляться транспортными компаниями, автомобильным транспортом, железнодорожным и речным видами транспорта.

Комплект поставки котла 1.86 с ОУР

Цена водогрейного котла 1.86 с ОУР включает в себя запорную арматуру и КИП в пределах котла, вентилятор поддува и предохранительные клапаны. Ниже приведена подробная информация.

Дополнительное оборудование котла 1.86 с ОУР

Для эффективной и надежной работы котла 1.86 с ОУР вам потребуется дополнительное оборудование - автоматика, дымосос, золоуловитель, насос сетевой и подпиточный, газоходы и переходники для газового тракта, дымовая труба. Мы предлагаем рассмотреть типовые варианты комплектации. В случае если у вас на объекте имеется насосное и тягодутьевое оборудование, мы можем проверить совместимость котла 1.86 с ОУР нашего производства и вашего оборудования. Можем изготовить нестандартные узлы для выполнения быстрого монтажа котла - газоходы и узлы обвязки. Типовую схему монтажа котла вы можете посмотреть во вкладке схемы подключения.

Щит водогрейного котла
Щит водогрейного котла
185000 руб. с НДС

Щит водогрейного котла обеспечивает:

  • ручной пуск котла;
  • ручное управление дутьевым вентилятором, дымососом и насосом;
  • автоматическое поддержание температуры путем управления вентилятором, подающим воздух для горения.

Щит водогрейного котла показывает:

  • температуру воды на выходе из котла;
  • температуру воды на входе в котел.

Щит водогрейного котла автоматическую остановку с индикацией причины аварии при:

  • понижении расхода теплоносителя через котел;
  • понижении и повышении давления на выходе из котла;
  • повышении температуры воды на выходе из котла;
  • понижении разряжения в топке котла.

Элементы для управления вентилятором устанавливаются в щите управления котлом.

Элементы управления дымососом и насосом устанавливаются в электросиловом щите котельной.

TD насос
Насос TD65-34G2 (7.5 кВт)
194700 руб. с НДС
TD насос
Насос TD80-32G2 (11 кВт)
294100 руб. с НДС
CHL насос
Насос CHL8-30 (1.1 кВт)
97300 руб. с НДС
ДН 8 дымосос
Дымосос ДН 8/1500
217100 руб. с НДС
Золоуловитель ЗУ 1.6
Золоуловитель 1,6
68000 руб. с НДС
  • Компактный золоуловитель для твердотопливных котлов
  • Может устанавливаться как сразу за котлом, так и на улице
  • Универсальная конструкция позволяет организовать выход справа или слева, в зависимости от компоновки газоходов

Монтаж и схемы подключения котла 1.86 с ОУР

Водогрейный стальной отопительный котел 1.86 с ОУР, предназначен для получения горячей воды номинальной температурой на выходе из котла от 95 до 115 °С рабочим давлением до 0,6 (6,0) МПа (кгс/см), используемой в системах централизованного теплоснабжения на нужды отопления, горячего водоснабжения. Устанавливается в производственных, промышленных и отопительных котельных.

Монтаж и подключение котла 1.86 с ОУР

План расстановки котельного оборудования, трубопроводов и дымоходов в котельной

Для подключения котла 1.86 с ОУР в котельном зале необходимо оставить проемы для обслуживания оборудования во время эксплуатации, согласно рекомендациям СНИП II-35-76. На данной схеме представлены размеры таких проёмов. Кроме того составлен примерный план, как можно произвести подключение оборудования, а также указан перечень необходимого вспомогательного оборудования для работы котла. К вспомогательному оборудованию относятся - автоматика котла, циркуляционный насос, подпиточный насос, бак запаса воды, расширительный мембранный бак, дымовая труба и дымосос, золоуловитель (по желанию).

Если подпиточная вода не соответствует требованиям к питательной воде, необходимо продумать систему водоподготовки котловой воды.
Для котельных 1 категории, являющиеся единственным источником тепла системы теплоснабжения и обеспечивающие потребителей первой категории, не имеющих индивидуальных резервных источников тепла, необходимо предусмотреть полное резервирование оборудования - котлов, насосов, ТДМ. Пунктирной линией показано оборудование для резервирования.
Для котельных 2 категории, включающие в себя промышленные и производственные котельные резервирование нужно предусматривать по необходимости.

Тепловая схема подключения котла в котельной

Схема тепловая котла

На данной схеме приведен образец тепловой схемы подключения котла в котельном зале. При эксплуатации котельного оборудования очень важно грамотно осуществить подключение, установить контрольно-измерительные приборы для контроля параметров работы котельной и запорную арматуру для оперативного переключения потока теплоносителя при плановой или аварийной остановке оборудования. Данную схему можно использовать, как пример для разработки своего объекта или заказать у нас разработку индивидуальной схемы для вашей котельной.

Аэродинамическая схема котла

Схема котла аэродинамическая

Воздух в водогрейный котел подается вентилятором поддува через топочный короб под слой твердого топлива для обеспечения горения. На боковой панели топки котла имеется пробоотборочный штуцер для подключения манометра и тягонапорометра.

Щит управления котла 1.86 с ОУР по данным тягонапорометра производит контроль разряжения в топочной камере, блокируя работу вентилятора в случае снижения разряжения в топочной камере, и исключая выбивание дымовых газов из топки в котельный зал. Из топки дымовые газы поступают в первый конвективный пакет, разворачиваются в поворотном коробе и через второй конвективный пакет выходят в газоходы котельной.

Для ручной регулировки тяги и дутья и режимов горения в комплекте котла предусмотрены шиберы. Шибер на воздуховоде подачи в топочный короб регулирует количество воздуха подаваемого вентилятором. Шибер на выходе из котла позволяет произвести отключение котла от общей магистрали газоходов котельной, а также регулировку тяги создаваемой дымососом.

Схема подключения котла с золоуловителем

Схема подключения котла с золоуловителем

Золоуловитель для твердотопливного котла 1.86 с ОУР обычно требуется устанавливать в котельных расположенных в жилой зоне. Они позволяют произвести дополнительную очистку дымовых газов перед их выбросом в атмосферу. Золоуловители нашего завода могут устанавливаться как сразу за котлом, так и снаружи котельной. Кроме очистки воздуха золоуловители увеличивают сопротивление в газовом тракте, поэтому при их установке требуется дымосос большей мощности.

Схема подключения котла без золоуловителя

Схема {{parts_subject_r}} без золоуловителя

Если вам не требуется высокая очистка дымовых газов, котел может работать без золоуловителя. Схема подключения при этом следующая - дымовые газы выходят из котла в газоходы котельной, затем в дымосос и далее снова по газоходам в дымовую трубу. В зависимости от компоновки котельной дымосос может устанавливаться как в котельной, так и на улице. Наш завод производит газоходы и переходники к ним. Получив схему вашей котельной мы можем изготовить для вас комплект газоходов, переходников нужных размеров и сечений. На месте такие детали собираются как конструктор. Обращаем ваше внимание, что газоходы требуют изоляции, для защиты персонала от ожогов, так как уходящие газы имеют высокую температуру, а на улице газоходы требуют изоляции для избежания образования конденсата.

Установка контрольно-измерительных приборов

Установка контрольно-измерительных приборов

При монтаже котла 1.86 с ОУР на участке водоподводящего трубопровода после задвижки, непосредственно перед входом во входной и на выходном трубопроводах устанавливаются по одному манометру и термометру. На входе или выходе из котла устанавливается устройство контроля расхода теплоносителя (реле протока). Кроме того, на выходном трубопроводе устанавливаются не менее двух предохранительных клапанов - один рабочий, второй резервный.

Все приборы, кроме реле протока входят в комплектацию котла. Реле протока входит в комплектацию щита управления данного котла, щит покупается отдельно.

Сертификаты и гарантии котла 1.86 с ОУР

Водогрейный котел 1.86 с ОУР имеет гарантийный срок 24 месяца. Срок работы при соблюдении правил монтажа и эксплуатации оборудования 10 лет.

Водогрейные котлы сертификат
Сертификат на водогрейные котлы
Сертификат на водогрейные котлы на газе и жидком топливе
Сертификат на водогрейные котлы на газе и жидком топливе

Подберите мощность котла для вашего объекта

Тип здания
Регион
Населенный пункт
Наружный объем здания
3)
Отапливаемый подвал
Объем подвала
3)

Отзывы о продукции

Другая похожая продукция

Котел 1.86 МВт дрова уголь
Котел 1.86 МВт уголь дрова
Максимальная тепловая мощность, МВт 1.86
Топливо Твердое, Уголь, Дрова
Вид топки Колосники, ОУР, Ручная
Отапливаемая площадь, м² от 15700 до 20400
1 286 000 ₽
КВр котел 1.86 МВт
Котел КВр 1.86
Максимальная тепловая мощность, МВт 1.86
Топливо Твердое, Уголь
Вид топки Ручная, Колосники
Отапливаемая площадь, м² от 15700 до 20400
1 272 000 ₽
Котел с РПК топкой
Котел КВ 1.6 РПК
Максимальная тепловая мощность, МВт 1.6
Топливо Твердое, Уголь
Вид топки Механическая, РПК
Отапливаемая площадь, м² от 14700 до 19000
1 438 800 ₽
Котел с ОУР 1.74
Котел 1.74 с ОУР
Максимальная тепловая мощность, МВт 1.74
Топливо Твердое, Уголь
Вид топки Ручная, ОУР
Отапливаемая площадь, м² от 14700 до 19000
1 172 000 ₽
Котел с ОУР 2.0
Котел 2.0 с ОУР
Максимальная тепловая мощность, МВт 2
Топливо Твердое, Уголь
Вид топки Ручная, ОУР
Отапливаемая площадь, м² от 16700 до 21900
1 253 000 ₽